Definition
The 1270nm FBG laser is a single-mode laser diode that employs fiber Bragg grating (FBG) technology and is encapsulated within a fiber Bragg grating (BTF). Its working principle is primarily based on the reflection and selection characteristics of the FBG. When light generated by the laser diode encounters the FBG, light of a specific wavelength (1270nm) is reflected back into the laser cavity, creating feedback and thus generating laser oscillation. By precisely controlling the period and refractive index changes of the FBG, precise control of the laser wavelength and bandwidth can be achieved.
Feature
High output power
Narrow spectral bandwidth
High polarization extinction ratio
Optical fiber coupling packaging
Customizable wavelength tolerance and bandwidth
Application
Raman pumping
Medical field
Industrial processing and manufacturing
Data communication
Scientific research
Specification
Parameters | Min | Typ | Max | Unit | Note |
Chip temperature | 20 | 25 | 40 | ℃ |
|
Forward current |
| 1500 | 1800 | mA |
|
Output power | 25 |
| 500 | mW |
|
Forward current @ 400mW |
|
| 1800 | mA |
|
Forward voltage @ 400mW |
| 1.8 | 2.1 | V |
|
Current |
| 100 | 200 | mA |
|
Average wavelength (select as needed) | 1270 |
| 1280 | nm |
|
Average wavelength tolerance |
|
| ±2 | nm |
|
Bandwidth (FWHM) | 0.1 | 0.4 | 1.2 | nm | Resolution 50pm |
Wavelength shift caused by FBG temperature |
| 0.01 |
| nm/℃ |
|
PER | 15 | 18 |
| dB |
|
Polarization degree |
| TE |
|
|
|
Absolute maximum rating
Parameters | Min | Max | Unit |
Forward current |
| 2000 | mA |
Reverse voltage |
| 2 | V |
TEC current |
| 3 | A |
TEC voltage |
| 4 | V |
Chip operating temperature | 5 | 55 | ℃ |
Shell operating temperature | 0 | 70 | ℃ |
Monitoring photodiode bias voltage (optional) |
| 5 | V |
Chip operating temperature | 5 | 55 | ℃ |
Shell operating temperature | 0 | 70 | ℃ |
Pin soldering temperature (up to 10 seconds, maximum shell temperature 120°C) |
| 300 | ℃ |
Storage temperature | -40 | 85 | ℃ |
Fiber Bragg grating operating temperature | -40 | 85 | ℃ |
Fiber band radius | 3 |
| cm |
Typical performance (reference only)
Thermistor specifications
Parameter | Specification | Unit |
Type | NTC |
|
Resistance @ 25℃ | 10±0.1 | kOhm |
Beta 25-85℃ | 3435±1% | K |

Fiber specifications
Parameters | Value | Value | Unit |
Fiber type | HI1060 | PM980 |
|
Numerical aperture (typical value) | 0.14 | 0.12 |
|
Cut-off wavelength | 920±50 | 900±70 | nm |
Mode field (core) diameter | 6.2±0.3@1060nm | 6.6±0.3@1060nm | µm |
Cladding diameter | 125±1 | 125±1 | µm |
Coating (buffer) diameter | 245±15 | 245±15 | µm |
Casing (optional) | 900 | 900 | µm |
Connector | FC/APC | FC/APC |
|
Key | narrow | narrow |
|
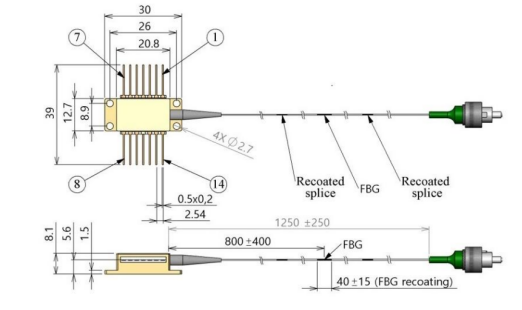
Dimension
