Miniature Electrically Tunable Fiber Optic Filter
Product Consultation
Detailed information

Miniature Electrically Tunable Fiber Optic Filter

I. Definition 

 Ziguang Optoelectronics' MEMS tunable filter (80nm device scanning range) is an optical device based on Micro-Electro-Mechanical Systems (MEMS) technology and grating principles. It achieves wavelength selection by dynamically adjusting the optical path difference or filter angle. Its core characteristic is the ability to continuously tune the center wavelength within an 80nm range, covering the O-band (1270-1350nm), C-band (1510-1590nm), or L-band (1550-1630nm), and supports low insertion loss and high isolation optical signal filtering.

 

II. Features 

 Wide tuning range; High precision; Low loss; High stability; Compact structure; Customizable; Polarization independent; High isolation; 3dB bandwidth 1.0-1.4nm (customizable)

 

III. Application 

Optical communication systems;

Fiber optic sensing and testing;

Laser technology and scientific research applications;

Industrial and medical fields.

 

IV. Specification

Parameter

Sub-parameter

Max. Value

Min. Value

Unit

Wavelength Range

O-Band

1270

1350

nm

Wavelength Range

C-Band

1510

1590

nm

Wavelength Range

L-Band

1550

1630

nm

Insertion Loss (IL)

<4.5 (typical<3.5)

dB

Response Time

≤20

ms

WDL @0dB

<1.5 (typical<1)

dB

PDL @0dB

<0.5

dB

Bandwidth @3dB

1.0-1.4

nm

Bandwidth @20dB

2.6~3.6

nm

Return Loss (RL)

>40

dB

Side Lobe Suppression

≤30

dB

Lifetime

1*10^9

cycles

Max. Input Optical Power

20

dBm

Operating Temperature

-5

75

°C

Storage Temperature

-40

85

°C

ESD Threshold (HBM)

500

V

DC Drive Voltage

0~50

V

 

 

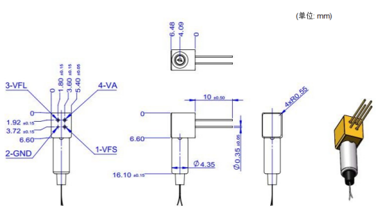
V. Dimension

 

VI. Pin definition

Pin

Definition

Description

Notes

PIN1

VFS

Power on for filtering on the short-wave side

1. Taking C-band TOF as an example: When power is supplied to PIN1 & PIN
2, the device operates in the 1528nm-1550nm band;

PIN2

GND

Ground

PIN3

VFL

Power on for filtering on the long-wave side

1. Taking C-band TOF as an example: When power is supplied to PIN3 & PIN2, the device operates in the 1550nm-1565nm band;
2. Operating voltage range: 0-50V

PIN4

VA

Power on to control VOA function

1. When power is supplied to PIN4 & PIN2, the device implements VOA function;
2. Can be powered simultaneously with either VFS or VFL pin;
3. Operating voltage range: 0-50V

Notes

1. PIN1 and PIN3 cannot be powered at the same time;
2. Please pay attention to ESD protection when storing and handling the device;
3. The device damage voltage is 65V;

 


VII. Ordering info

 

ZG

Tunable range

Fiber type

Pigtail length

Connector

13:1270-1350nm
15:1510-1590nm
16:1550-1630nm

SM:SM,9/125
X:Others

05:0.5m±5cm
10:1.0m±5cm
15:1.5m±5cm
X:Others

OO:None
FP:FC/PC
FA:FC/APC
SP:SC/PC
SA:SC/APC
X:Others


Back
Recommended for you