Features
Broadband,Low noise
Remote Radio Unit,Tracking telemetry and control,Radar ECM
I. Application
This butterfly-shaped, directly modulated semiconductor laser with an SMA connector utilizes a multi-quantum well (MQW) and distributed feedback (DFB) semiconductor laser chip, offering single longitudinal mode optical output. The laser features an SMA-female coaxial RF input connector, DC-coupled RF input, and 50Ω RF input impedance. It also includes a built-in TEC (electrical temperature controller), a photodetector (MPD), and an optical isolator. The laser is laser-welded and packaged in a standard 7-pin butterfly-shaped hermetic package. The laser operates within a temperature range of -40°C to 85°C, and exhibits high optical wavelength and power stability. This butterfly-shaped, directly modulated semiconductor laser is widely used in fiber-optic transmission of RF signals and optical communications, offering excellent performance with high bandwidth and low loss.
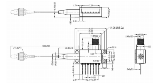
II. Dimension(unit: mm)

III. logical structure and pin definitions


Note: 1. When current flows from the TEC (+) terminal to the TEC (-) terminal, the TEC cools the laser chip; conversely, it heats the laser chip.
2. When the monitor photodiode (MPD) is operating normally, the MPD diode is in a reverse bias state, meaning the cathode of the MPD is connected to a high voltage and the anode of the MPD is connected to a low voltage.
1. Absolute Maximum Ratings
Exceeding the following rated ranges may cause permanent damage to the device. When operating the device at its absolute maximum ratings, the optical and electrical parameters are not guaranteed to be normal. Extended operation at absolute maximum ratings may affect device reliability.

2.Electer-Optical Parameters

Notes:
This indicator is the design value or the nominal value of the raw material. It is not tested at the device level.
ordering information
Wavelength | Adjustable Broadband | Fiber Type | Connector |
27-37:1270-1370nm C16-C62:ITU Wavelength Path XX=XX | 06-6GHZ 12-12GHZ 18-18GHZ | SM=Single Mode Fiber PM=Polarization Fiber | FA=FC/APC |